ams OSRAM FIREFLY® E1608 CT DELSS1.12 LED
ams OSRAM FIREFLY® E1608 CT DELSS1.12 Light Emitting Diode (LED) is specifically designed for heart rate monitor applications. This true green CT DELSS1.12 LED features UX:3 chip technology, Class 1B corrosion robustness, 120° typical radiation (Lambertian emitter), and compact size. The FIREFLY E1608 CT DELSS1.12 LED also features 2kV ESD withstand voltage acc. to ANSI/ESDA/JEDEC JS-001 (HBD, Class 2). This LED is available in 0.8mm x 1.6mm x 0.6mm dimensions which allows for benefitting from more flexible product designs.Features
- Color:
- λdom=530nm (true green)
- UX:3 chip technology
- 120° typical radiation (Lambertian emitter)
- White SMT package and colorless clear resin
- Corrosion robustness class:
- 1B
- 5VR reverse voltage (TS=25°C)
- ESD:
- 2kV acc. to ANSI/ESDA/JEDEC JS-001 (HBM, Class 2)
- -40°C to 85°C operating temperature range
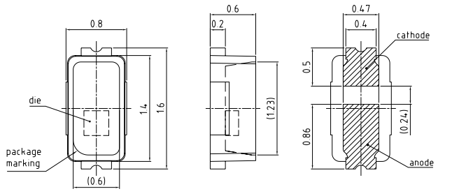
- 0.8mm x 1.6mm x 0.6mm dimensions
Applications
- Health monitoring:
- Heart rate monitoring and pulse oximetry
- Fitness tracking
Dimensional Diagram
Electrical Circuit Diagram
發佈日期: 2022-11-10
| 更新日期: 2025-10-13
