特點
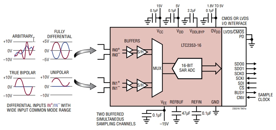
- 全緩衝 (>1000 GΩ) 多通道SAR ADC系列
- 8/4/2通道可同步取樣,每通道200/350/550 kSPS的傳輸量 (LTC2358/LTC2357/LTC2353)
- 8通道可多工取樣,800kSPS的傳輸量 (LTC2333)
- 85°C/125°C下達到500pA/12nA最大輸入漏電
- ±3.5 LSB INL(最大值,18位元)/±1LSB INL(最大值,16位元)
- 96.4 dB SNR(典型值,18位元)/94.2 dB SNR(典型值,16位元)
- 每通道真雙極SoftSpan輸入範圍最高±12.5V
- 寬廣的30 VP-P輸入共模範圍,128dB CMRR
- 寬廣的6MHz、–3dB輸入寬頻
- 腳位可選CMOS(1.8V至5V)或LVDS序列介面
- 腳位及軟體與7×7mm LQFP-48系列封裝相容
應用
- 可程式邏輯控制器
- 工業程序控制
- 電源線監控
- 測試與測量
影片
發佈日期: 2018-04-10
| 更新日期: 2025-02-03

