Analog Devices Inc. ADuM1254 & ADuM1255 I2C Isolators
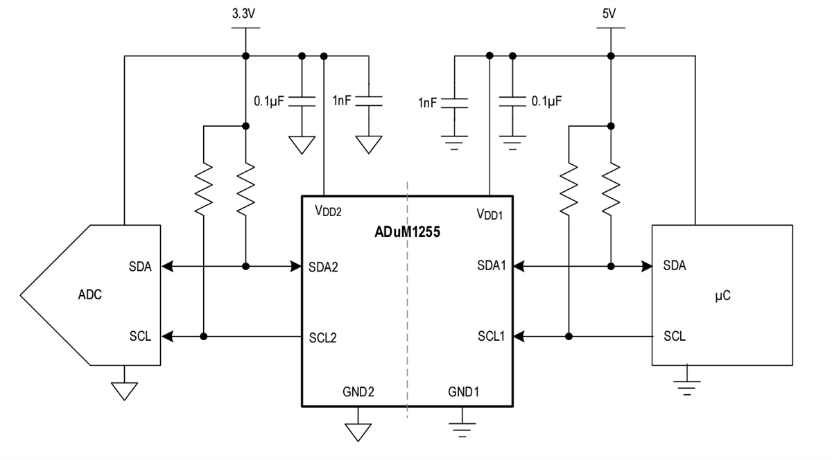
Analog Devices ADuM1254 and ADuM1255 I2C Isolators provide two open-drain channels, one unidirectional and one bidirectional, for applications that require data to be transmitted in both directions on the same line but have a unidirectional clock. The outputs on side one contain special buffers that regulate the logic-low voltage at 0.64V, and the input logic-low threshold is at least 50mV lower than the output logic-low voltage, preventing latch-up action. Side two features traditional buffers that do not regulate logic-low output voltage. Analog Devices ADuM1255 isolators offer independent 2.25V to 5.5V supplies on both sides, and the devices operate up to 2MHz. The ADuM1255 furnishes a disturbance-free bus connection for hot-plug connections on side two by pre-charging the bus pins, monitoring the bus state for an idle bus, or detecting an I2C stop condition before connecting sides one and two.Features
- Low VOL(MAX) for greater I2C device compatibility
- Side 1 at 0.69V
- Side 2 at 0.4V
- Independent VDD1/VDD2 supplies support 3.3V and 5V logic voltage levels and allow level shifting, 2.25V to 5.5V for both sides
- Hot-swappable side 2 I/O prevents data corruption initial side 2 connection occurs at bus idle or stop states
- Bidirectional I2C data transfer up to 2MHz SCL
- Strong current sinking enables lower RPULL-UP values for faster bus speeds
- Side 1 at 5mA
- Side 2 at 50mA
- Package creepage and clearance
- 8-narrow SOIC at 4mm
- 8-wide SOIC at 8mm
- Robust galvanic isolation of digital signals
- Continuously Withstands (VIOWM)
- 8-Narrow SOIC at 445VRMS
- 8-Wide SOIC at 848VRMS
- Continuously Withstands (VIOWM)
- Withstands ±10kV surge per IEC 61000-4-5
- Safety and regulatory approvals (pending)
- IEC60747-17 (pending)
- Reinforced VIORM narrow SOIC at 630VPEAK
- Reinforced VIORM wide SOIC at 1200VPEAK
- UL 1577 (pending) 8-Narrow SOIC at 3000VRMS for 1 min
- 8-Wide SOIC at 5000VRMS for 1 min
- IEC60747-17 (pending)
- IEC/EN/CSA 62368-1 (pending)
- IEC/EN/CSA 61010-1 (pending
- CAN/CSA-C22.2 No. 14-18 (pending)
Applications
- Isolated I2C/SMBus interfaces
- Battery management systems
- Power over Ethernet (PoE)
- Motor control systems
Videos
Simplified Application Diagrams
Timing Test Diagrams
Timing Parameter Definition
發佈日期: 2024-08-30
| 更新日期: 2024-12-26
