Analog Devices Inc. LTC7063半橋驅動器
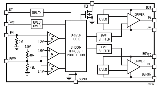
Analog Devices Inc. LTC7063半橋驅動器以半橋組態驅動兩個N通道MOSFET,最高供電電壓可達140V。高側與低側驅動器通過提供瞬態抗擾性與雜訊,可以用不同的接地參考驅動MOSFET 。因爲有強大的1.5Ω 上拉和0.8Ω 下拉MOSFET,所以可以使用大型閘極電容高電壓MOSFET。LTC7063驅動器具備三態脈衝寬度調變 (PWM) 輸入、可調整開/關延遲、 擊穿保護,以及 漏極開路故障指示器。LTC7063半橋驅動器工作在-40°C至+150°C溫度範圍、400µA供電電流、140V最大輸入電壓,以及6V至14V IC工作電壓範圍。LTC7063驅動器非常適合用於汽車與工業電源系統、電信電源系統,以及半橋與全橋轉換器。特點
- 獨特的對稱浮式閘極驅動器架構
- 輸入與輸出接地的差異
- 自適應擊穿保護
- 可程式空檔時間
- 三態PWM輸入(含已啟用腳位)
- VCC UVLO/過電壓鎖定 (OVLO) 及浮動電源欠壓鎖定 (UVLO)
- 驅動雙N通道MOSFET
- 漏極開路故障指示器
- 可提供熱強化的12引缐MSOP封裝
規格
- 6V至14V IC工作電壓範圍
- 4V至14V閘極驅動器電壓範圍
- -0.3V至15V VCC供電電壓範圍
- 0.8Ω下拉、1.5Ω上拉,實現快速開/關
- 400µA電源電流
- 140V最大輸入電壓
- 150V絕對最大電壓
- -40°C至+150°C結工作溫度範圍
- -65°C至+150°C儲存溫度範圍
應用
- 汽車與工業電源系統
- 電信電源系統
- 半橋與全橋轉換器
方塊圖
應用電路圖
發佈日期: 2023-05-08
| 更新日期: 2023-07-17
