特點
- 毫歐姆以下的直流電阻 (DCR) 感測或DrMOS電流感測,效率更高
- 可搭配電源模塊、DrMOS或外部閘極驅動器和MOSFET運作
- ±0.5%總輸出電壓準確度
- tON(MIN) = 40ns,可在高頻下執行超低工作週期
- 雙差分遠端感測放大器
- 彈性相位組態
- 雙輸出電流監控
- 可程式頻率範圍為250kHz至1.2MHz
- VIN範圍不受IC限制
- VCC範圍:4.5V至5.5V
- VOUT範圍:0.5V至2.0V
- LTC7852採用48導線 (5mm × 6mm) GQFN封裝
- LTC7852-1採用36導線 (4mm × 5mm) QFN封裝
應用
- 電腦系統
- 電信和資料通訊系統
- 直流配電系統
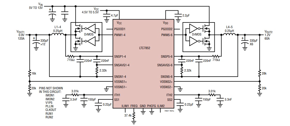
典型應用
影片
發佈日期: 2019-04-12
| 更新日期: 2023-10-03

