Analog Devices / Maxim Integrated MAX20429 Dual 6A Low Voltage Buck Converters
Analog Devices Inc. MAX20429 Dual 6A High-Efficiency Low Voltage Buck Converters provide up to 6A (peak) load current per output from 0.5V to 1.5875V in 12.5mV steps and 1.6V to 3.8V in 50mV steps. The MAX20429 features a total output error of less than ±1.0%, overload, line, and temperature. The IC operates from 3V to 5.5V, making it ideal for on-board point-of-load and post-regulation applications.ADI MAX20429 Dual 6A High-Efficiency Low Voltage Buck Converters offer fixed-frequency PWM mode operation with a switching frequency of 2.1MHz or 3.2MHz. The high-frequency operation allows for an all-ceramic capacitor design with small external components.
The device features the MAXQ™ technology, which provides precision transient performance and phase margin. These features enable obtaining the maximum power, performance, and precision from the converter over an extensive range of configurations.
The MAX20429 Converters include over-temperature shutdown and overcurrent limiting. The MAX20429 Converters are designed to operate from –40°C to +125°C ambient temperature range.
Features
- Designed for secondary regulator for SoC / MCU supply applications
- High-feature set in an ultra-small footprint
- High-efficiency DC-DC converter
- Two independent outputs, up to 6A per output
- 3.0V to 5.5V Operating supply voltage
- Resistor-adjustable output voltage
- Optional factory-preset output voltage
- 2.1MHz/3.2MHz Options
- Enable input
- Individual RESET outputs
- Spread-spectrum option
- Peak current-mode architecture
- 3mm x 3.5mm FCQFN
- High-precision
- 108/92% OV/UV monitor
- ±3% OV/UV accuracy
- ±1% Output voltage accuracy
- Excellent load-transient performance
- PWM and SKIP mode operation
- MAXQ™ Power architecture
- High efficiency
- Up to 96% efficiency 5V to 3.3V
- Up to 90% efficiency 5V to 1V
- -40°C to +125°C Operating temperature range
- AEC-Q100 qualified
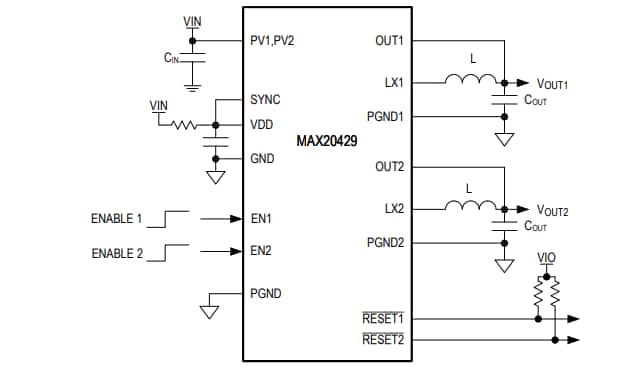
Block Diagram
發佈日期: 2021-04-05
| 更新日期: 2023-04-13
