Analog Devices / Maxim Integrated MAX5980 Quad PSE Power Controllers
Analog Devices MAX5980 Quad, Power-Sourcing Equipment (PSE) Power Controllers for Power-over-Ethernet are designed for use in IEEE® 802.3at/af-compliant PSE. Analog Devices MAX5980 provides powered device (PD) discovery, classification, current limit, and load disconnect detection, supporting fully automatic operation and software programmability.MAX5980 PSE Power Controllers also support new 2-event classification and Class 5 for detecting and classifying high-power PDs. Analog Devices MAX5980 supports single-supply operation, provides up to 70W to each port (Class 5 enabled), and still provides high-capacitance detection for legacy PDs. It features an I²C-compatible, 3-wire serial interface and is software configurable and programmable.
Features
- IEEE 802.3at/af compliant
- 0.25Ω Current-sensing resistor
- Up to 70W per port for PSE applications
- 9-Bit port current and voltage monitoring
- I²C-compatible, 3-wire serial interface
- Supports single-supply operation
- High-capacitance detection for legacy devices
- Supports DC load-removal detections
- Space-saving, 32-Pin TQFN (5mm x 5mm) power package
Applications
- PSE-ICM
- Power-Sourcing Equipment (PSE)
- Switches/routers
- Midspan power injectors
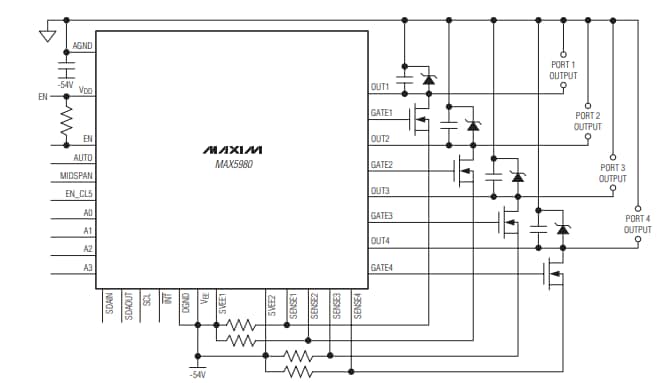
Simplified Operating Circuit
發佈日期: 2012-01-16
| 更新日期: 2023-04-13
