Apacer Technology Inc. PV910-M242 PCI Express Flash Drives
Apacer Technology Inc. PV910-M242 PCI Express Flash Drives deliver low latency and high performance of up to 1,630MB/s read and 1,280MB/s write. These flash drives are built with a powerful PCIe controller that supports on-the-module ECC and an efficient wear-leveling scheme. The PV910-M242 flash drives are implemented with LDPC (Low-Density Parity Check) ECC engine to extend SSD endurance and increase data reliability. These flash drives feature a built-in thermal sensor to monitor the temperature of the SSD via S.M.A.R.T commands and are configured with thermal throttling to adjust frequency scaling dynamically. This enhances data reliability and provides sustained performance while overheating. The PV910-M242 flash drives offer end-to-end data protection that assures data integrity at multiple points in the path to enable reliable delivery of data transfers. Applications include industrial, imaging, computing, and enterprise markets.Features
- Flash management:
- Low-Density Parity-Check (LDPC) code
- Global wear leveling
- Flash bad-block management
- Page mapping flash translation layer
- DataDefender™
- S.M.A.R.T.
- TRIM
- Hyper cache technology
- Over-provisioning
- SMART Read Refresh™
- NVMe secure erase
- 3D TLC (BiCS3) NAND flash type
- 75-pin M.2 module pinout connector type
- LED Indicators for drive behavior
- RoHS compliant
- Power management:
- Supports APST
- Supports ASPM L1.2
- NVMe features:
- Supports Host Memory Buffer (HMB)
- Security:
- AES 256-bit hardware encryption
- Signed firmware
- Reliability:
- Thermal sensor
- Thermal throttling
- End-to-end data protection
Specifications
- Capacity:
- 60GB, 120GB, 240GB, and 480GB
- Performance:
- Interface burst read/write: 2GB/sec
- Up to 1,630MB/sec sequential read
- Up to 1,280MB/sec sequential write
- Up to 136,000IOPS random read (4K)
- Up to 131,000IOPS random write (4K)
- >3,000,000hours MTBF
- Endurance (in drive writes per day: DWPD):
- 60GB: 2.04DWPD
- 120GB: 2.02DWPD
- 240GB: 1.99DWPD
- 480GB: 1.96DWPD
- Temperature range:
- Operating:
- Standard: 0°C to 70°C
- Wide: -40°C to 85°C
- Storage: -40°C to 100°C
- Operating:
- 3.3V ±5% supply voltage
- Power consumption:
- Active mode (maximum): 645mA
- Idle mode: 145mA
- Form factor:
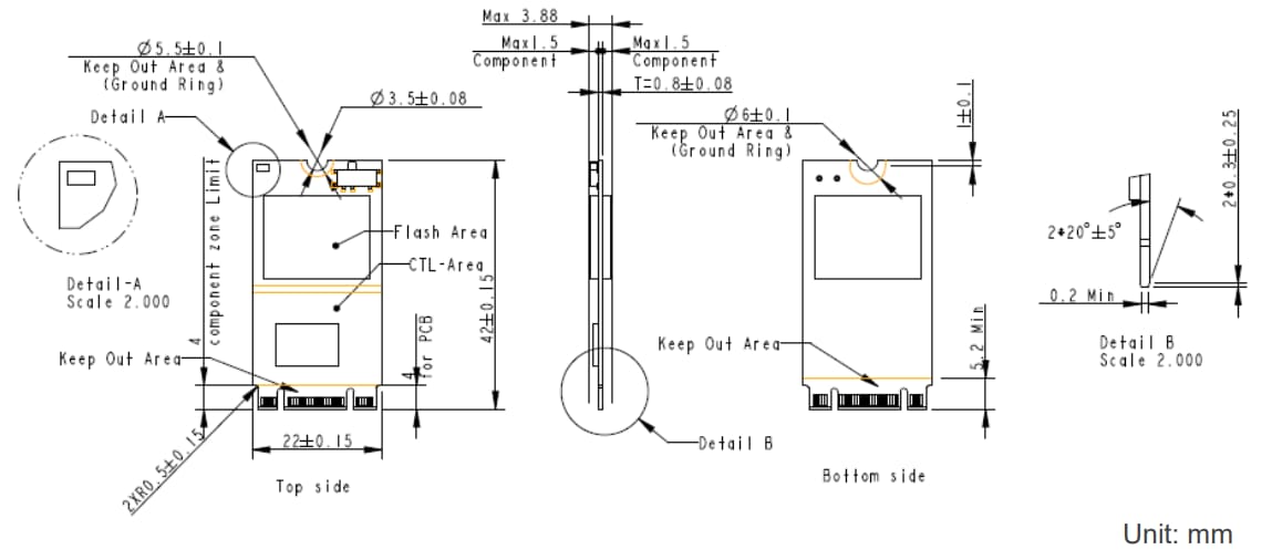
- M.2 2242-D5-B-M key
- 22mm x 42mm x 3.88mm dimensions
- Net weight: 3.53g ± 5%
Applications
- Industrial
- Imaging
- Computing
- Enterprise markets
Functional Block Diagram
Dimensions Diagram
發佈日期: 2023-06-02
| 更新日期: 2023-06-14
