Broadcom AFBR-FS13B25 Optical Wireless Transceiver
Broadcom AFBR-FS13B25 Optical Wireless Transceiver communicates data over free space at a rate of up to 1.25Gb/s allowing connector-less/cable-less communication in a variety of applications. This transceiver features full-duplex bidirectional communication with a distance range of 30mm to 60mm, together with a small form factor that allows a compact system design. The AFBR-FS13B25 transceiver keeps full functionality over a 360° rotation around the optical axis, which reduces the complexity of alignment on the system level. Ideally, this wireless transceiver is used in optical wireless communication, rotary optical data feedthrough, and board-to-board communication applications.Features
- Up to 1.25Gb/s data rate
- 30mm to 60mm distance range
- Bidirectional full-duplex
- Full function over 360° rotation
- Small form factor
- 850nm nominal optical wavelength
- Single 3.3V power supply
- -10°C to 85°C operational temperature range
- SMT solderability
- Laser Class 1 product
- RoHS-6 compliant
Applications
- Optical wireless communication
- Though-window optical wireless communication
- Rotary optical data feedthrough
- Board-to-board communication
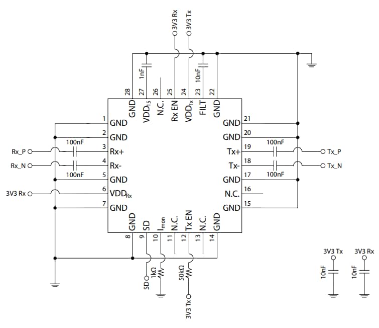
Typical Application Circuit
Block Diagram
發佈日期: 2022-03-15
| 更新日期: 2022-03-22
