Marktech Optoelectronics Metal Can UV-A & UV-B Emitters
Marktech Optoelectronics Metal Can UV-A and UV-B Emitters are ultraviolet light-emitting diodes with 310nm, 325nm, and 340nm wavelengths. The LEDs are protected inside a hermetically sealed metal-glass welded package ideal for industrial applications. These UV-A and UV-B LEDs incorporate state-of-the-art semiconductor material, chip design, and robust packaging with advanced optical characteristics.The Marktech Optoelectronics Metal Can UV-A and UV-B Emitters are offered in TO-5, TO-18, TO-39, and TO-46 packages for design flexibility.
Features
- Hermetically sealed metal can case
- 310nm, 325nm, and 340nm peak wavelength options
- 40mA forward current
- High reliability
- Wide and narrow viewing angle options
- -30°C to +80°C operating temperature
- TO-5, TO-18, TO-39, and TO-46 package options
Applications
- UV-A
- UV curing
- security and counterfeit detection
- Tanning
- Lithography
- UV-B
- Medical phototherapy
- Protein analysis
- Drug detection
- Forensic analysis
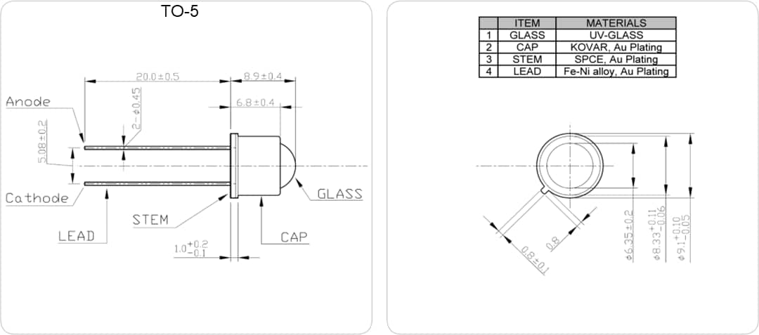
TO-5 Package Outline
TO-18 Package Outline
TO-39 Package Outline
TO-46 Package Outline
發佈日期: 2022-06-02
| 更新日期: 2022-06-29
