Atmel / Microchip ATmega1284P 8-bit Microcontrollers
Atmel / Microchip ATmega1284P is a high-performance 8-bit AVR® RISC-based microcontroller that executes powerful instructions in a single clock cycle. Throughputs close to 1MIPS per MHz are achieved in a single clock cycle, giving the designer the benefit of optimizing the device for power consumption versus processing speed.Features
- High-performance, Low-power AVR 8-bit Microcontroller
- Advanced RISC architecture
- Nonvolatile program and data memories
- JTAG (IEEE std. 1149.1 compliant) interface
- I/O and Packages
- 32 programmable I/O lines
- 40-pin PDIP, 44-lead TQFP, and 44-pad QFN/MLF
- –1.8 to 5.5V operating voltage range
- Speed Grades
- 0-4MHz at 1.8V to 5.5V
- 0-10MHz at 2.7V to 5.5V
- 0-20MHz at 4.5V to 5.5V
- Power consumption at 1MHz, 1.8V, +25°C
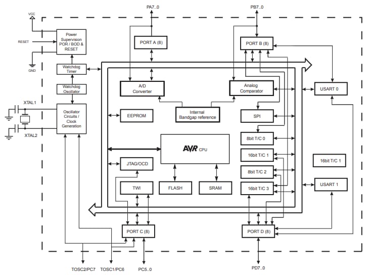
Block Diagram
發佈日期: 2019-08-28
| 更新日期: 2023-04-27
