Monolithic Power Systems (MPS) MP4316 Synchronous Step-Down Converters

Monolithic Power Systems (MPS) MP4316 Synchronous Step-Down Converters offer a configurable frequency with integrated internal high-side and low-side power MOSFETs (HS-FET and LS-FET). The MP4316 achieves up to 6A of highly efficient, continuous output current (IOUT) with current control mode for fast loop response. The device has a wide 3.3V to 45V input voltage (VIN) range that accommodates a variety of step-down applications in an automotive input environment. The 1.7μA shutdown current (ISD) on the MP4316 makes it ideal for battery-powered applications.

The MPS MP4316 Synchronous Step-Down Converters produce high power conversion efficiency across the entire load range. The device's Advanced Asynchronous Modulation (AAM) mode enables high efficiency under light-load conditions by scaling down the switching frequency (fSW) to reduce the switching and gate driver losses. The open-drain power good (PG) signal indicates whether the output is between 95% and 105% of its nominal voltage. High duty cycle and low dropout (LDO) mode permit the MP4316 to withstand automotive cold-crank conditions.

The MP4316 provides full protection features that include frequency foldback to prevent inductor current (IL) runaway during start-up, over-current protection (OCP) with hiccup mode, and thermal shutdown for reliable, fault-tolerant operation.

The MP4316 is delivered in a QFN-20 (4mm x 4mm) package.

Features

  • Wide 3.3V to 45V operating input (VIN) voltage range
  • Up to 6A of continuous output current (IOUT)
  • Low 1.7μA shutdown current (ISD)
  • 18μA Sleep mode quiescent current (IQ)
  • Internal 48mΩ and 20mΩ power MOSFETs
  • 350kHz to 1000kHz Configurable Switching Frequency (fSW) for car battery applications
  • External SYNC Clock
  • Out-of-phase synchronized clock output
  • Frequency Spread Spectrum (FSS) for Low Electromagnetic Interference (EMI)
  • Symmetric VIN for low EMI
  • Power Good (PG) output
  • External Soft Start (SS)
  • 100ns Minimum On Time (tON_MIN)
  • Selectable Advanced Asynchronous Modulation (AAM) Mode or Forced Continuous Conduction Mode (FCCM)
  • Low-Dropout (LDO) mode
  • Over-Current Protection (OCP) with hiccup mode
  • Available in a QFN-20 (4mm x 4mm) package
  • Available in a wettable flank package

Applications

  • Radios
  • Battery-powered systems
  • General-purpose consumer applications
  • Industrial power systems

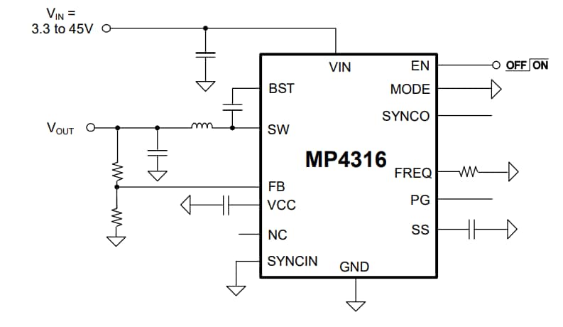
Typical Application

Application Circuit Diagram - Monolithic Power Systems (MPS) MP4316 Synchronous Step-Down Converters

Efficiency vs. Load Current

Chart - Monolithic Power Systems (MPS) MP4316 Synchronous Step-Down Converters
發佈日期: 2022-06-06 | 更新日期: 2023-04-19