ON Semiconductor NBVSBAXXX系列PureEdge™ VCXO
ON Semiconductor NBVSBAXXX系列PureEdge™ VCXO

檢視產品清單

附加資源

ON Semiconductor
PureEdge™石英晶體振盪器

NBXSBx024NBXSBA025NBVSBAXXXPureEdge石英晶體振盪器(XO)裝置,旨在用於滿足當今對2.5 V / 3.3 V LVPECL時脈產生應用的要求。 ON Semiconductor NBVSBAXXX壓控石英晶體振盪器(VCXO)採用高Q基本波模式石英晶體和鎖相環(PLL)倍頻器,可提供從60MHz到700MHz(根據使用者規格工廠可配置)的廣泛頻率,以及±100ppm的牽引範圍和±50ppm的頻率穩定性。 NBXSBX024單頻率石英晶體振盪器採用高Q基本波模式石英晶體和鎖相環(PLL)倍頻器,可提供622.08 MHz超低時基誤差和相位雜訊LVPECL差分輸出。 NBXSBA025單通道XO提供425.00MHz。 ON Semiconductor NB3N65027 LVCMOS PLL−合成時脈產生器接受10MHz至27MHz的時脈或基本波模式石英晶體作為基準源,並可驅動三個獨立的低雜訊鎖相環 (PLLs)。

特點 
  • LVPECL差分輸出
  • 正斜率控制電壓
  • 使用高Q基本波模式石英晶體
  • 完全密封陶瓷SMD封裝
  • 無鉛並符合RoHS規範
規格
  • 操作範圍:2.5V ±5%,3.3V ±10%
  • 超低時基誤差和相位雜訊:−0.5ps (12kHz − 20MHz)
  • 最小牽引範圍:±100ppm
  • 頻率穩定性:±50ppm
  • 電壓控制線性率:±10%
應用
  • 連網
  • 同步光線網絡(SONET)
  • 10吉比特乙太網
  • 連網基地台
  • 廣播
零件編號 最大輸出頻率(MHz)
NBVSBA017LN1TAG 156.25
NBVSBA018LN1TAG 155.52
NBVSBA018LNHTAG 155.52
NBVSBA024LN1TAG 622.08
NBVSBA024LNHTAG 622.08
NBVSPA018LNHTAG 155.52
NBXSBA045LN1TAG 345
NBXMBA024LN1TAG 622.08
NBXMBA024LNHTAG 622.08
NBXSBA024LN1TAG 622.08
NBXSBA024LNHTAG 622.08
NBXSBA025LN1TAG 425
NBXSBA025LNHTAG 425
NBXSBA030LN1TAG 175
NBXSBA030LNHTAG 175
NBXSBA031LN1TAG 340
NBXSBA031LNHTAG 340
NBXSBA045LNHTAG 345
NBXSBA046LN1TAG 172.5
NBXSBA046LNHTAG 172.5
NB3N65027DTR2G 133.33
NBVSBA011LN1TAG 122.88
NBVSBA011LNHTAG 122.88
NBVSBA026LN1TAG 644.53
NBVSBA026LNHTAG 644.53
NBVSPA015LN1TAG 200
NBVSPA015LNHTAG 200
NBVSPA024LN1TAG 160
NBVSPA024LNHTAG 160

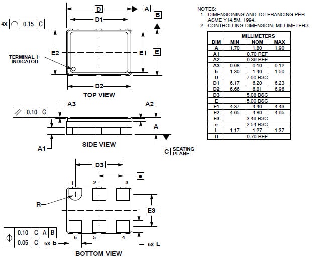
以mm計算的封裝尺寸

封裝尺寸
  • ON Semiconductor
  • Audio|Medical|Wireless
  • Semiconductors|Integrated Circuits|IC-Clock & Timer
發佈日期: 2018-11-08 | 更新日期: 2018-11-08