內部補償數碼環路控制實現了具有波谷開關的恆定導通時間 CCM 架構。無需霍爾效應感應器即可實現逐週期電流限制。NCP1680 組件在 90VAC 至 265VAC 範圍內運作,最高可達 350W。在 300W 和 230VAC 主電源輸入處,效率高達 99%。這些 SOIC-16 封裝裝置符合能效法規,並且不含鉛和鹵化物。 onsemi 的 NCP1680 控制器積體電路非常適合功率因數校正和離線電源應用。
特點
- 圖騰柱功率因數校正拓撲消除了輸入二極管電橋
- 臨界傳導模式 (CRM) 操作
- 輕負載條件下具有波谷導通的斷續導通模式 (DCM)
- DCM 中的頻率折返具有 25kHz 最小頻率
- 極輕負載條件下的跳躍模式
- 專有的電流檢測方案
- 數碼電壓環路補償
- 交流線路監測電路
- 交流相位檢測
- 所有操作模式下的功率因數接近單位
- 功率因數校正 OK 指示燈
- 所有功率級別的優化性能
- SOIC-16 封裝
- 濕度敏感級別 (MSL) 1
- 無鉛、無鹵化物
應用
- 工業電源
- 電訊 5G 電力
- 網絡電力
- 遊戲機電源
- 超高清電視電源
- 運算電源
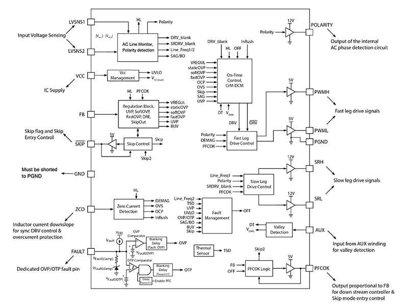
框圖
發佈日期: 2021-06-24
| 更新日期: 2025-03-04

