Renesas Electronics ISL85005 & ISL85005A Synchronous Buck Regulators

Renesas Electronics ISL85005 and ISL85005A Synchronous Buck Regulators are monolithic regulators with integrated 5A, 4.5Vv to 18V high-side and low-side FETs. These devices offer a wide input voltage range to support applications with input voltage from multi-cell batteries. The ISL85005 and ISL85005A regulate the output voltage with current mode control and have an internal oscillator. The switching frequency of the ISL85005 is internally set as 500kHz and can be synchronized to an external clock signal with frequency ranges from 300kHz to 2MHz. The ISL85005A has a fixed 500kHz switching frequency.

The ISL85005 has a fixed 2.3ms soft-start, while the ISL85005A features a programmable soft-start to limit inrush current during startup. With the SS pin floating, the soft-start time of ISL85005A is also 2.3ms.

The ISL85005 can be configured in either forced Continuous Conduction Mode (CCM) or Diode Emulation Mode (DEM). DEM enables high efficiency in light-load conditions. The ISL85005A always operates in forced CCM.

The ISL85005 and ISL85005A have built-in protections including input UVLO protection, input and output overvoltage protection, high-side cycle-by-cycle current limit, low-side forward current limit, reverse current limit, and thermal shutdown.

The Renesas Electronics ISL85005 & ISL85005A Synchronous Buck Regulators are housed in a compact 3mm x 4mm Dual Flat No-Lead (DFN) package with an exposed pad for enhanced thermal performance.

Features

  • 5V to 18V input voltage range
  • Internal 5A, 18V high-side, and low-side MOSFET switches
  • ±1%, 8V feedback voltage reference
  • Integrated bootstrap diode with undervoltage detection
  • Current mode control with internal slope compensation
  • Internal or external compensation options
  • Default internally set 500kHz switching frequency
  • Synchronization capability to an external clock (ISL85005)
  • Diode Emulation Mode (DEM) and Forced CCM (FCCM) options (ISL85005)
  • Adjustable soft-start time (ISL85005A)
  • Output Power-Good (PG) indicator
  • Input Undervoltage Lockout (UVLO), input and output overvoltage protection
  • High-side cycle-by-cycle current limit, low-side forward and reverse overcurrent protection, and thermal shutdown
  • -40°C to +125°C junction temperature range
  • 3mm x 4mm DFN-12 package with an exposed pad

Applications

  • Network and communication equipment
  • Standard 12V rail supplies
  • Battery powered systems
  • Multifunction printers
  • Point-of-load regulators
  • Embedded computing systems

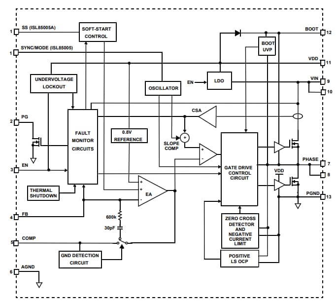
Block Diagram

Block Diagram - Renesas Electronics ISL85005 & ISL85005A Synchronous Buck Regulators

ISL85005/5A Typical Application

Application Circuit Diagram - Renesas Electronics ISL85005 & ISL85005A Synchronous Buck Regulators
發佈日期: 2017-06-09 | 更新日期: 2022-06-27