Renesas Electronics ISL85014 Synchronous Buck Regulator
Renesas Electronics ISL85014 Synchronous Buck Regulator is a highly efficient, monolithic, synchronous buck regulator that can deliver 14A of continuous output current from a 3.8V to 18V input supply. The ISL85014 uses current mode control architecture with a fast transient response and excellent loop stability. The ISL85014 integrates very low ON-resistance high-side and low-side FETs to maximize efficiency and minimize external component count. The minimum BOM and easy layout footprint are extremely friendly to space constraint systems.The operation frequency of the ISL85014 can be set using the FREQ pin: 600kHz (FREQ = float) and 300kHz (FREQ = GND). The device can also be synchronized to an external clock up to 1MHz.
Both high-side and low-side MOSFET current limit and reverse current limit fully protect the regulator in an overcurrent event. Selectable OCP schemes can fit various applications. Other protections, such as input/output overvoltage and over-temperature, are also integrated into the device and provide required system-level safety in the event of fault conditions.
The ISL85014 is offered in a space-saving 3.5mm x 3.5mm TQFN-15 package with excellent thermal performance and a 0.8mm maximum height.
Features
- Power input voltage range variable from 3.8V to 18V
- PWM output voltage adjustable from 6V
- Up to 14A output load
- Pre-bias start-up, fixed 3ms soft-start
- Selectable fSW of 300kHz, 600kHz, and external synchronization up to 1MHz
- Peak current-mode control
- DCM/CCM
- Thermally compensated current limit
- Internal/external compensation
- Open-drain PG window comparator
- Output overvoltage and thermal protection
- Input overvoltage protection
- Integrated boot diode with undervoltage detection
- Selectable OCP schemes
- Hiccup OCP
- Latch-off
- 3.5mm x 3.5mm TQFN-15 package
Applications
- Servers and Cloud infrastructure Point-Of-Loads (POLs)
- Infrastructure Protection Centre (IPCs), factory automation, and PLCs
- Telecom and networking systems
- Storage systems
- Test measurements
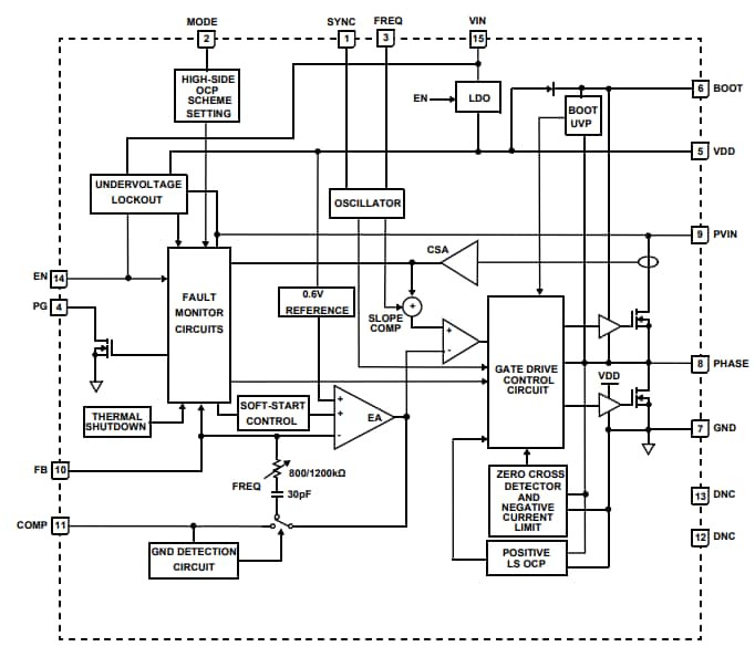
Block Diagram
發佈日期: 2017-06-29
| 更新日期: 2022-06-30
