STMicroelectronics ACEPACK™ IGBT Modules

STMicroelectronics ACEPACK™ IGBT模組

STMicroelectronics​ ACEPACK™ IGBT模組是一系列的新塑膠功率模組,其開發目的為因應電源管理解決方案與工業應用。ACEPACK™ 1和ACEPACK™ 2封裝同時引進轉換器-變頻器-制動器 (CIB) 和sixpack拓撲,其整合先進溝槽式閘極電場截止技術。這些ACEPACK IGBT模組的特色為ACEPACK 1或ACEPACK 2功率模組、整合式負溫度係數 (NTC) 和CIB或sixpack拓樸。這些模組涉及新IGBT技術的適當使用,透過在傳導與切換損耗間提供絕佳的平衡,以在20kHz的情形下獲得最高效率。這些IGBT模組適合用於工業馬達驅動器、太陽能面板、焊接和變頻器的應用。

產品特色
  • ACEPACK™ 1和ACEPACK™ 2功率模組:
    • 直接覆銅技術 (DBC) Cu Al2O3 Cu
  • 轉換器-變頻器-制動器 (CIB) 拓撲:
    • 1600V阻斷電壓
    • 1200V 25A IGBT和二極體
    • 1.95VCE(sat) @ IC=25A
    • 軟恢復與快速恢復二極體
  • Sixpack拓撲:
    • 1200V 35A IGBT和二極體
    • 1.95VCE(sat) @ IC=35A
  • 軟恢復與快速恢復二極體
  • 整合NTC
應用
  • 變頻器
  • 馬達驅動器
  • 太陽能面板
  • 焊接
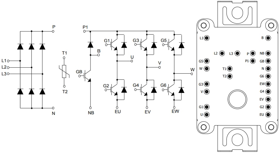
轉換器-變頻器-制動器 (CIB) 拓撲腳位說明與封裝俯視圖

STMicroelectronics​ ACEPACK™ Converter Inverter Brake (CIB) Topology Pin Description and Package Top View

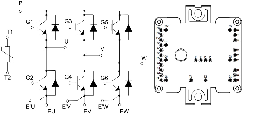
Sixpack拓撲腳位說明與封裝俯視圖

STMicroelectronics​ ACEPACK™ Sixpack Topology Pin Description and Package Top View

eNews
  • STMicroelectronics
發佈日期: 2018-01-02 | 更新日期: 2023-01-31