 |
|
|
STMicroelectronics VIPerPlus高電壓轉換器
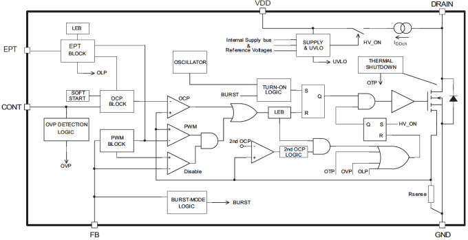
意法半導體VIPerPlus高電壓轉換器具有800V耐突崩MOSFET及先進的PWM電路設計。這樣的設計可以實現真正創新的交流-直流轉換,效率高,更簡單快速,所用元件數減半,因此成本更低。VIPerPlus系列符合藍天使和能源之星環保規範,是最簡易的解決方案,系統在待機模式時,電源總功耗極低。
|
|
意法半導體VIPerPlus高電壓轉換器具有800V耐突崩MOSFET及先進的PWM電路設計。這樣的設計可以實現真正創新的交流-直流轉換,效率高,更簡單快速,所用元件數減半,因此成本更低。除了優化的電流模式控制及全面的內建保護電路外,VIPerPlus系列還符合藍天使和能源之星環保規範,是最簡易的解決方案,系統在待機模式時,電源總功耗極低。
|
|
特點
- 超低功耗30mW待機功耗(265V時)
- 減少系統總成本,透過:
- 設計簡單,總元件數少
- 降低EMI濾波器成本的抖動特性
|
- 符合藍天使和能源之星環保規範及2002/95/EC歐洲指令
- 支援最熱門的SMPS拓撲:
返馳(隔離和非隔離輸出、初級側調節)、
降壓轉換器和降壓升壓轉換
- 穩固性和可靠性高,獲得過800V
MOSFET及嵌入式故障保護功能認證
|
|
 |
發佈日期: 2013-03-26
| 更新日期: 2022-03-17