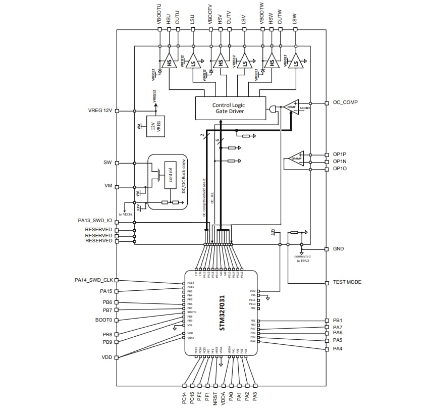
本裝置內建DC/DC降壓轉換器,可提供3.3V電壓,適合同時為MCU和外部元件供電。此外,內建的LDO線性穩壓器能為閘極驅動器供應電壓。還有整合式運算放大器可用於調節訊號,執行整個分流電阻器的電流感測。STSPIN32F0B具備過電流保護,由含可程式閾值的比較器執行。
整合式MCU STM32F031C6的作業溫度範圍更廣,可用於執行磁場定向控制、6級無感測器,和其他進階的驅動演算法。該MCU也提供嵌入式快閃記憶體的讀取/寫入保護功能,可阻止非預期的寫入和/或讀取。嵌入式的開機載入器可透過序列介面在現場下載韌體。STSPIN32F0B的其他功能還包括過熱與欠壓鎖定保護,還有耗電量更低的待機模式。
裝置具備20個通用型I/O連接埠 (GPIO),容許電壓5V,還有一個12位元類比轉數位轉換器,含最多9個通道,可在單次或掃描模式下執行轉換。此外,STSPIN32F0B具備5個可同步的一般用途計時器,支援方便好用的偵錯序列介面 (SWD)。
特點
- 更廣的作業電壓範圍,6.7V至45V
- 三相閘極驅動器
- 600mA汲極/源極
- 整合自舉二極體
- 防跨導
- 32位元ARM® Cortex®-M0核心:
- 時脈頻率最高48 MHz
- 4 kByte SRAM,含硬體同位
- 32 kByte快閃記憶體,含選擇性位元組可用於寫入/讀出保護
- 提供開機載入器韌體
- 3.3V DC/DC降壓轉換穩壓器,含過電流、短路和過熱保護
- 12V LDO線性穩壓器,含過熱保護
- 20個通用型I/O連接埠 (GPIO)
- 5個一般用途計時器
- 12位元ADC轉換器(最多9個通道)
- I2C、USART和SPI介面
- 一個軌對軌運算放大器,用於調節訊號
- 含可程式閾值的比較器,提供過電流保護
- 耗電量更低的待機模式
- 每個電源供應器皆提供UVLO保護:
- VM、VDD、VREG和VBOOTx
- 透過SWD支援晶片內建偵錯
- 寬溫度範圍:-40°C至+125°C
應用
- 電動工具
- 風扇和幫浦
- 工業自動化
- 電池供電的家電
影片
類比IC方塊圖
系統級封裝方塊圖
發佈日期: 2019-03-27
| 更新日期: 2024-02-12

