TDK InvenSense IIM-4623x 6-Axis MotionTracking® MEMS Devices
TDK InvenSense IIM-4623x SmartIndustrial™ 6-Axis MotionTracking® MEMS Devices combine multiple 3-axis gyroscopes and 3-axis accelerometers into a single high-performance device. The 6-axis industrial IMUs offer 1.9°/hr (IIM-46234) or 4.1°/hr (IIM-46230) gyroscope bias instabilities, fault tolerance, and micro-second accurate time stamping features. Using ultra-low noise sensors, IIM-46234 and IIM-46230 deliver precise measurements, even in harsh environments. The TDK InvenSense IIM-4623x devices operate within a 3.0V to 3.6V voltage range and a -40°C to +85°C temperature range.Features
- TDK proprietary SensorFT™ (Fault Tolerance) feature that delivers built-in redundancy and early warning
- Low bias instability
- Low offset and sensitivity variation over temperature
- Robustness to shock (2000g survivability) and vibration
- Triaxial, delta angle, and delta velocity output
- Accurate timestamps, which can be set to UTC timestamp and synchronized to an external PPS pulse
- -40°C to +85°C operating temperature range
- Factory calibration over temperature range for bias, sensitivity, misalignment, and G-sensitivity
- Dynamic correction of the output of Accelerometer and Gyroscope measurements with user-configured bias, sensitivity, and misalignment values stored in the device
- Gyroscope options
- 3-Axis Gyroscope with FSR up to ±2000°/sec, 4.1°/hr (typical) bias instability (IIM-46230)
- 3-Axis Gyroscope with FSR up to ±480°/sec, 1.9°/hr (typical) bias instability (IIM-46234)
- 3-Axis Accelerometer with FSR up to ±8g
- Digital-output temperature sensor
- Programmble digital filters
- Built-in MEMS oscillator for accurate timestamp
- PPS/External Sync input for clock corrections
- UART or SPI host interface
- Single supply operation from 3.0V to 3.6V
- RoHS and Green compliant
Applications
- Agriculture and construction machinery
- Navigation
- Platform stabilization
- Asset tracking
- Robotics
- Industrial automation
- Survey equipment
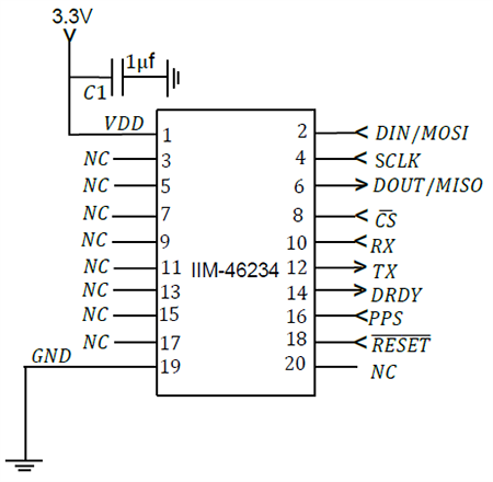
Typical Operating Circuit
Related Development Tools
發佈日期: 2022-08-22
| 更新日期: 2024-08-22
