Texas Instruments CC2591 RF前端範圍擴展器
![]() |
![]() |
|
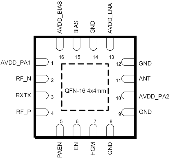
Texas Instruments CC2591 2.4GHz RF前端範圍擴展器 專門為現有及未來 TI RF 收發器、發射器及系統單晶片(SoC)產品而設計。 CC2591 提供高度整合性予高性能 無線 應用的簡單設計,並提供至 CC2 xxx RF 裝置的無縫介面。此 RF前端範圍擴展器 包含一個用於更高輸出功率的功率放大器、一個用於更高接收器靈敏度的低雜訊值LNA,以及小尺寸4x4mm QFN-16封裝。 |
|
|
![]() 特點:
應用:
結構圖:
資料單
|
||
發佈日期: 2008-07-18
| 更新日期: 2025-06-25




資料單