The isolation barrier separates parts of the system operating at different common-mode voltage levels. The isolation barrier is highly resistant to magnetic interference. The barrier is certified to supply basic isolation up to 5kVRMS (60s).
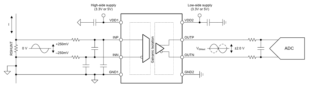
The TI AMC1200C Amps output a differential signal proportional to the input voltage. The differential output is insensitive to ground shifts and facilitates routing the output signal over long distances.
The AMC1200C is available in 8-pin, wide-body SOIC and SOP packages. The device is fully specified over the -40°C to +125°C temperature range.
Features
- Linear input voltage range: ±250mV
- Supply voltage range:
- High-side (VDD1): 3.0V to 5.5V
- Low-side (VDD2): 3.0V to 5.5V
- Low DC errors:
- Offset error: ±0.2mV (maximum)
- Offset drift: ±2uV/°C (maximum)
- Gain error: ±0.25% (maximum)
- Gain drift: ±35ppm/°C (maximum)
- Nonlinearity: 0.04% (maximum)
- Fixed gain: 8.0V/V
- Differential analog output
- High CMTI: 150V/ns (minimum)
- Low EMI: meets CISPR-11 and CISPR-25 standards
- Isolation ratings: basic isolation
- Safety-related certifications:
- DIN EN IEC 60747-17 (VDE 0884-17)
- UL1577
- Fully specified over the extended industrial temperature range of -40°C to +125°C
Applications
- Industrial motor drives
- Frequency inverters
- Server power-supply units (PSU)
- Power factor correction (PFC)
Typical Application
發佈日期: 2026-02-05
| 更新日期: 2026-02-10

