Texas Instruments bq28z610/bq28z610-q1 Battery Fuel Gauges
Texas Instruments bq28z610/bq28z610-q1 Battery Fuel Gauges are highly integrated, accurate, 1 to 2 series cell gas gauge and protection solution. It helps to enable autonomous charger control and cell balancing. Autonomous charge control is enabled through Master Mode I2C broadcasts of charging current and voltage information. This eliminates software overhead that is typically incurred by the system's host controller. The bq28z610/bq28z610-q1 includes a flash programmable custom reduced instruction set CPU (RISC), safety protection, and authentication for 1 to 2 series cell Li-Ion and Li-Polymer battery packs. The bq28z610/bq28z610-q1gas gauge communicates via an I2C compatible interface. It combines an ultra-low-power, high-speed TI bqBMP processor, high-accuracy analog measurement capabilities, and integrated flash memory. It also includes an array of peripheral and communication ports, an N-CH FET drive, and an SHA-1 Authentication transform responder. The bq28z610-q1 devices are AEC-Q100 qualified for automotive applications.Features
- Autonomous battery charging control using a dedicated master mode I2C interface
- Cell balancing with internal bypass to optimize battery health
- High-side protection N-CH FET drive allows serial bus communication during fault conditions
- Analog front end with two independent ADCs
- Support for simultaneous current and voltage sampling
- High-accuracy coulomb counter with input offset error <1µV typical
- Programmable protection levels for voltage, current, and temperature
- Supports down to 1mΩ current sense resistors while capable of 1mA current measurements
- Supports Battery Trip Point (BTP) function for Windows® integration
- SHA-1 authentication responder for increased battery pack security
- 400kHz I2C bus communications interface for high-speed programming and data access
- Compact 4mm xx 2.5mm, 12-pin VSON package (DRZ)
Applications
- Tablet computing
- Portable and wearable health devices
- Portable audio devices
- Wireless (BLUETOOTH®) speakers
Specifications
- -0.3V to 30V maximum supply range, 2.2V to 26V typical
- 1.8V to 2.2V shutdown range
- 2.05V to 2.45V start-up range
- 250mV shutdown hysteresis
- 26V output
- 2.2µF external PBI capacitor
- 1 to 2 series cells with Li-ion/Li-polymer cell chemistry
- 100mAh to 14,000mAh battery capacity range
- 20mA or 40mA output currents
- Temperature ranges
- -40°C to +85°C operating
- -65°C to +150°C storage
- Internal and external cell balancing
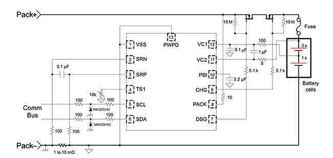
Simplified Schematic
發佈日期: 2016-01-12
| 更新日期: 2022-03-11
