Texas Instruments bq40Z50-R1 Li-Ion Battery Pack Manager

Texas Instruments bq40Z50-R1 Li-Ion
Battery Pack Manager

德州儀器bq40Z50-R1鋰離子電池組管理器,為一款用於鋰離子或鋰聚合物電池組的單晶片完全整合裝置。該裝置採用Impedance Track™技術,提供電量監測、保護及認證等一系列豐富的功能。可用於1節、2節、3節和4節串聯鋰離子或鋰聚合物電池組。此裝置利用其整合的類比周邊,測量並準確記錄保存可用電容、電壓、電流、溫度和其他關鍵參數,並通過SMBus介面將這些資訊報告給系統主機控制器。小型封裝大幅降低智慧電池解決方案成本和尺寸。同時盡可能地提供電池電量測量應用的功能性和安全性。

特色
  • 完全整合1節、2節、3節和4節串聯鋰離子或鋰聚合物電池組管理器及保護
  • 已獲專利的下一代阻抗追蹤(Impedance Track™)技術可準確測量鋰離子和鋰聚合物電池中的可用電量
  • 高側N通道保護FET驅動
  • 充電或靜止狀態時整合的電池均衡
  • 可程式設計保護功能的完整陣列
    • 電壓
    • 電流
    • 溫度
    • 充電逾時
    • CHG/DSG FET
    • AFE
  • 精密的充電演算法
    • JEITA
    • 增強型充電
    • 自我調整充電
    • 電池均衡

  • 支援TURBO BOOST模式
  • 支援電池跳脫點(BTP)
  • 診斷壽命資料監視器和黑盒子記錄器
  • LED顯示器
  • 支援2導線SMBus v1.1介面
  • SHA-1認證
  • 小型封裝:32引腳QFN (RSM)

應用
  • 筆記型電腦/精簡型筆電
  • 醫療和檢測設備
  • 可攜式儀錶

bq40Z50EVM-561評估模組(EVM)

德州儀器bq40Z50EVM-561評估模組(EVM)是完整的評估系統,用於評估bq40z50或bq296000電池管理系統。該EVM包括一個bq40z50和bq296000電路模組,可連結至Windows ™的PC軟體。該電路模組包括一個bq40z50積體電路(IC),一個bq296000IC,以及可執行各種功能的所有其他板載元件。這些功能包括監控和預測電量、保持電量平衡、監控關鍵參數、以及對1節、2節、3節和4節串聯鋰離子或鋰聚合物電池組中的電池進行過充、過放電、短路和過流保護。該電路模組將電池的各個單元直接連接起來。利用EV2300或EV2400介面板和軟體,使用者可讀取bq40z50資料暫存器,對不同電池組配置的晶片組進行程式設計。還可記錄迴圈資料,以便進一步評估,並且評估解決方案在不同充放電條件下的整體功能性。

特色
  • 用於bq40z50EVM鋰離子電池組管理器評估模組和bq296000獨立過壓保護IC的完整評估系統
  • 已安裝的電路模組可實現快速設置
  • 可記錄資料以進行系統性分析的軟體
套件包括
  • bq40z50和bq296000電路模組
  • 將EVM連接EV2300或EV2400通訊介面配接器的線纜

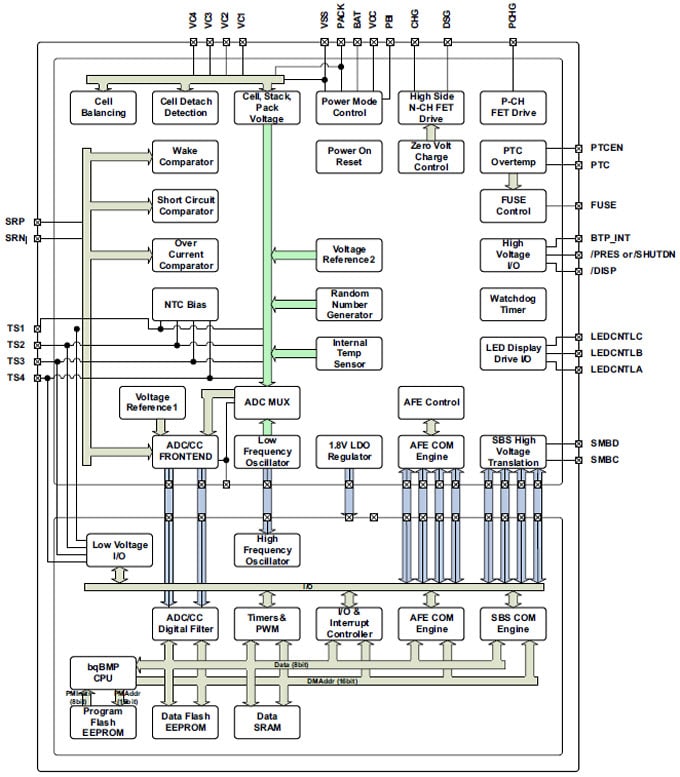
功能方塊圖
Functional Block Diagram
eNews
  • Texas Instruments
發佈日期: 2015-09-03 | 更新日期: 2022-03-11