Texas Instruments CSD86356Q5D Synchronous Buck NexFET Power Blocks
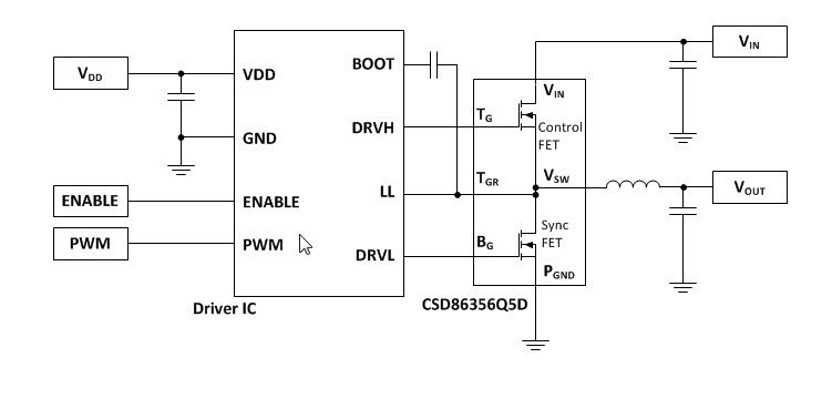
Texas Instruments CSD86356Q5D Synchronous Buck NexFET™ Power Blocks provide high-current, high-efficiency, and high-frequency capability in a small package. The CSD86356Q5D is an optimized design for a synchronous buck and 5V gate drive applications. The device offers a 93% system efficiency at 25A. The CSD86356Q5D allows a flexible solution capable of offering a high-density power supply when paired with any 5V gate drive from an external controller/driver.Features
- Half-bridge power block
- 93.0% System efficiency at 25A
- Up to 40A operation
- High-frequency operation (Up to 1.5MHz)
- High-density SON 5mm × 6mm footprint
- Optimized for 5V gate drive
- Low-switching losses
- Ultra-low inductance package
- RoHS Compliant
- Halogen-free
- Lead-free terminal plating
Applications
- Synchronous buck converters
- High-frequency applications
- High-current, low duty cycle applications
- Multiphase synchronous buck converters
- POL DC-DC Converters
- IMVP, VRM, and VRD Applications
Block Diagram
發佈日期: 2018-07-18
| 更新日期: 2022-12-29
