Texas Instruments DCH01 Miniature Isolated DC/DC Converters

Texas Instruments DCH01微型隔離式DC/DC轉換器

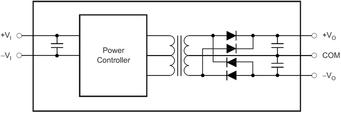
Texas Instruments DCH01微型隔離式DC/DC轉換器採用符合業界標準的7腳位SIP封裝,可將外接元件數量減到最少,有助於縮小電路板面積。DCH01系列可提供單和雙分離供電輸出。採用高整合度的封裝設計,有助提升產品的可靠度與功率密度。DCH01擁有高效能與小巧的尺寸,適合包含訊號鏈應用和接地迴路消除等各種應用。

產品特色
  • 最高78%效率
  • 3kVDC隔離(可運作)
  • UL60950認證產品
  • 業界標準尺寸
  • JEDEC 7腳位SIP封裝
應用
  • 使用點電源轉換
  • 接地迴路消除
  • 資料擷取
  • 工業控制與儀器
  • 測試設備

TIEVM-HV-1PH-DCAC變頻器參考設計

Texas Instruments TIEVM-HV-1PH-DCAC變頻器參考設計使用C2000 F28377D微控制器,可實作單相變頻器 (DC-AC) 控制。其設計支援兩種變頻器運作模式:第一種是電壓來源模式,使用輸出LC濾波器,此控制模式通常用於不斷電電源供應器。第二種為電網連接模式,使用輸出LCL濾波器,通常用於太陽能變頻器。此設計的韌體由powerSUITE架構支援,可利用解決方案配接器進行調整,韌體也允許透過補償設計工具和SFRA來調整控制迴路。此設計擁有高效率、低THD,以及操作直覺化的軟體,極適合從事UPS和像是PV變頻器、電網儲存、微型電網等替代能源應用變頻器設計的工程師選用。

產品特色
  • 受powerSUITE支援的電壓來源變頻器與電網連接變頻器設計
  • 非線性負載下,使用電壓來源模式時,尖峰效率達98%,THD小於4%
  • 輸入380V DC,輸出220Vrms 50Hz或110Vrms 60Hz,最高600VA
套件包括
  • F28377D ISO控制卡
  • TIDM-HV-1PH-DCAC板
  • USB Mini-B(5腳位)公對Standard-A公3

eNews
  • Texas Instruments
發佈日期: 2017-10-17 | 更新日期: 2022-11-03