Texas Instruments LMR51430 SIMPLE SWITCHER®降壓轉換器

Texas Instruments LMR51430 SIMPLE SWITCHER®降壓轉換器簡單易用,最高可驅動3A負載電流。LMR51430提供4.5V至36V的寬輸入範圍,適合以未經過穩壓的電源進行電源調節的各種工業應用。裝置具備500 kHz和1.1 MHz的切換頻率,支援使用相對較小的電感器,有助達到最佳的解決方案尺寸。

TI LMR51430降壓轉換器提供PFM版本,可在輕負載下實現高效率,還有FPWM版本,可在整個負載範圍內實現恆定頻率和小輸出電壓漣波。裝置僅需最少的外部元件,內建軟啟動與補償電路。此外,LMR51430內建保護功能,包括逐週期電流限制、Hiccup模式、短路保護,以及功耗過大時的過熱關機。

LMR51430採用6腳位SOT-23封裝。

特點

  • 具功能安全性
    • 提供可協助設計功能安全系統的文件
  • 專為嚴苛工業應用所設計
    • 輸入電壓範圍:4.5V至36V
    • 連續輸出電流:3A
    • 最短切換導通時間:70 ns
    • 固定切換頻率選項:500 kHz和1.1 MHz
    • 接面溫度範圍:-40°C至150°C
    • 最高工作週期為98%
    • 啟動含預偏壓輸出
    • 內部短路保護具備Hiccup模式
  • 電壓參考可容許±1.5%
  • 精度啟用
  • 輕巧的解決方案尺寸,簡單易用
    • 整合同步整流
    • 內建補償,簡便易用
    • SOT-23封裝
  • TPS54202TPS54302腳位相容
  • 提供PFM和強制PWM (FPWM) 選項
  • 使用LMR51430搭配WEBENCH® Power Designer,可打造自訂設計

應用

  • 家電
  • 大樓自動化
  • 馬達驅動器
  • 通用型寬VIN電源供應器

簡化配置圖

Texas Instruments LMR51430 SIMPLE SWITCHER®降壓轉換器

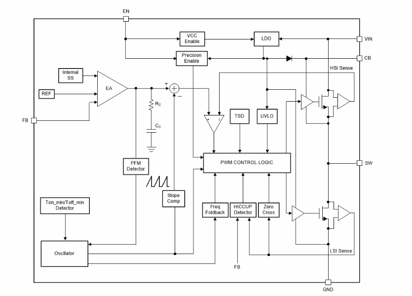
方塊圖

Texas Instruments LMR51430 SIMPLE SWITCHER®降壓轉換器

效率與輸出電流

圖表 - Texas Instruments LMR51430 SIMPLE SWITCHER®降壓轉換器
發佈日期: 2022-07-25 | 更新日期: 2022-11-17