Texas Instruments TPS23523 Hot Swap & OR-ing Controllers
Texas Instruments TPS23523 High-Performance Hot Swap and OR-ing Controllers comply with demanding transient requirements through enabled high-power telecom systems. The TPS23523 provides a 200V absolute maximum rating making it manageable to sustain lightning surge tests and the 400µA sourcing current allows fast recovery. Limiting the inrush current, using smaller hot swap FETs, is possible through the soft start cap disconnect without hurting the transient response. Thus, using power applications that require multiple hot swap FETs saves space and BOM costs. The device's dual current limit makes it painless to pass brownouts and input steps as required by the ATIS 0600315.2013.Additionally, the controllers offer accurate undervoltage and overvoltage protection with programmable thresholds and hysteresis. 48V Systems that require reverse hook-up protection and reverse-current protection find an ideal solution with the Texas Instruments TPS23523 integrated OR-ing controller. When the input drops, the OR-ing controller protects the output, avoiding system resets.
Features
- –10V to –80V DC operation, –200V absolute maximum
- Soft start cap disconnect
- Dual hot-swap gate drive
- 400µA gate sourcing current
- Dual current limit (based on VDS)
- 25mV ±4% when low VDS
- 3mV ±25% when high VDS
- Programmable UV (±1.5%) and OV (±2%)
- Programmable hysteresis (±11%)
- Integrated OR-ing controller
- 25mV ±15mV regulation
- –6mV ±4mV fast turn off
- Retries after time out
- 16-pin TSSOP
Applications
- Remote radio units
- Baseband units
- Routers and switchers
- Small cells
- –48V telecommunications infrastructure
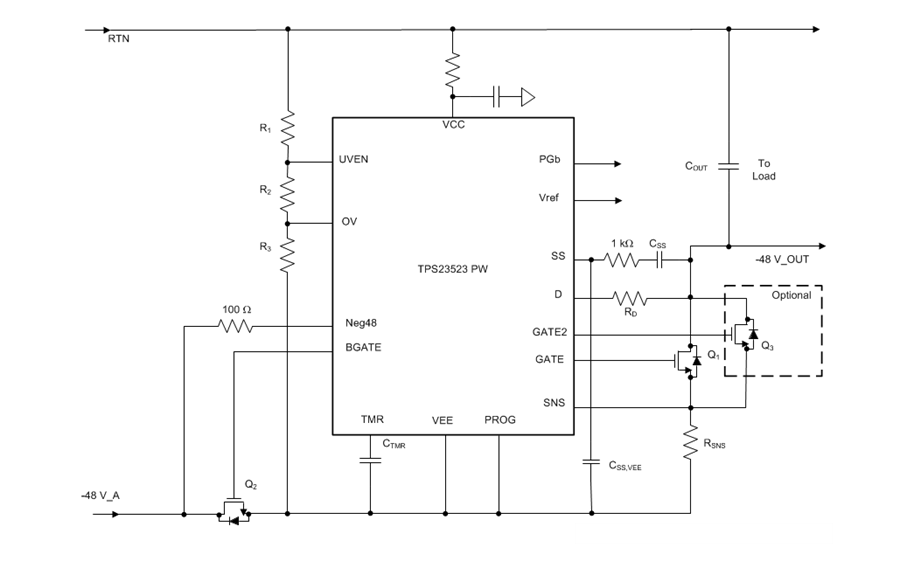
Simplified Schematic
發佈日期: 2018-04-11
| 更新日期: 2022-11-22
