![]() |
ON Semiconductor低壓降穩壓器貿澤出售市場上規模最大和最豐富的ON Semiconductor低壓降 (LDO) 穩壓器。 我們獨具特色的LDOs包括80mA CMOS低Iq LDO電壓穩壓器和NCP4586 150mA低雜訊LDO穩壓器。 點按此處檢視出售的所有ON Semiconductor低壓降穩壓器清單。 獨具特色的低壓降穩壓器! |
ON Semiconductor 80mA CMOS低Iq LDO電壓穩壓器
|
ON Semiconductor 80mA CMOS低Iq LDO電壓穩壓器的擁有40µA超低靜態電流,適用於需要低靜態電流的手提通訊設備和便攜式電池驅動型應用。 每一ON Semiconductor 80mA CMOS低Iq LDO電壓穩壓器均包含一個電壓干擾單元、一個錯誤放大器、一個PMOS功率電晶體、用於設定輸出電壓的電阻、電流限值和溫度限值保護電路。 此LDO電壓穩壓器旨在搭配低成本陶瓷電容器使用。 該裝置採用超微型SC-70−5表面貼裝封裝。
![]() |
ON Semiconductor NCP4586 150mA低雜訊LDO穩壓器
|
ON Semiconductor NCP4586 150mA低雜訊LDO穩壓器是NCP4587系列的擴展產品。 ON Semiconductor NCP4586 150mA低雜訊LDO穩壓器提供低雜訊、高漣波去除率、低壓降、高輸出電壓精確度和低電源電流。 這些LDO穩壓器具有三種配置:啟用高電平、啟用低電平和啟用高電平加自動放電。 這些卓越的一般用途穩壓器採用小型封裝出售,可貼裝於高密度PCBs上,並充分適用於多種應用。 檢視ON Semiconductor NCP4587/86系列
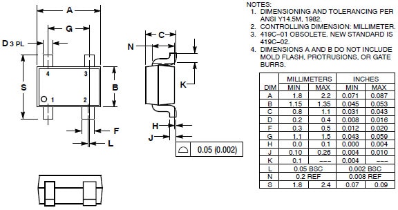
ON Semiconductor NCP4586 150mA低雜訊LDO穩壓器尺寸 ![]() |







